1. PRIMEROS PASOS
Felicitaciones por su compra de la soldadora ELITE modelo SOLDAmaq mini.
Lea esta guía antes de comenzar.
La ELITE SOLDAmaq mini es una soldadora de sierras de cinta y fleje que permite una soldadura duradera y rápida de las cintas así como el posterior revenido para que el punto de soldadura adquiera las mismas propiedades y dureza que el resto de la cinta.
Puede ver el catálogo del producto en el siguiente enlace: ELITE modelo SOLDAmaq
Este manual le introduce en las principales funciones de la soldadora a fin de evitar riesgos para su salud o que puedan causar una avería o desgaste prematuro de la máquina.
En caso de cualquier duda le rogamos nos contacte directamente o a uno de nuestros distribuidores autorizados
Nota Informativa: El uso descrito en el manual de esta soldadora puede presentar algunas variaciones en el uso ya que nuestra maquinaria está sujeta a posibles modificaciones constructivas, dependiendo de la incorporación de avances tecnológicos en nuestro equipo de soldadura.
2.SEGURIDAD
2.1.Normas de seguridad
Observe y aplique cuidadosamente las siguientes reglas de seguridad, el incumplimiento de estas reglas puede causar lesiones personales o daños a la máquina misma.
La instalación y el mantenimiento de la máquina descritos en este manual deben ser realizados únicamente por operadores que estén familiarizados con su funcionamiento y tengan suficientes conocimientos técnicos.
Las soldadoras ELITE de la gama de modelos SOLDAmaq 30, 40 y 60 mini han sido diseñadas para el afilado de sierras de cinta y circulares excluyendo cualquier otro tipo de operación.
PELIGRO ALTO VOLTAJE
PELIGRO DE ACCIDENTE
PELIGRO POR PROYECCIÓN DE CHISPA
UTILICE ZAPATOS PROTECTORES
PELIGRO DE HERRAMIENTAS AFILADAS
USE PROTECTORES AUDITIVOS
Estas advertencias no incluyen todos los posibles riesgos que podría ocasionar un uso inadecuado de la máquina. Por ello, el operador debe proceder con prudencia y observando las normas.
2.2.Uso y conservación del manual de instrucciones
Este manual de instrucciones debe ser leído y comprendido por todo el personal que entre en contacto con la máquina.
Esta guía es para:
- Indicar el uso correcto de la máquina según el tipo de trabajo a realizar.
- Proporcionar las instrucciones necesarias para el transporte, ajuste y mantenimiento de la máquina.
- Facilitar el pedido de repuestos e información de riesgos.
Límites de uso del manual:
La máquina está destinada a un uso profesional y, por lo tanto, la experiencia del operador es necesaria y de vital importancia.
Importancia y conservación del manual:
Este manual debe considerarse parte integrante de la máquina y, por lo tanto, debe permanecer junto a ella hasta el final de su uso.
Información adicional y aclaraciones:
El usuario, propietario o persona de mantenimiento puede ponerse en contacto con el fabricante para solicitar cualquier información adicional sobre el uso de la máquina y las posibles modalidades de intervención de mantenimiento y reparación.
Caducidad de la responsabilidad:
El fabricante se considera exento de cualquier responsabilidad en caso de:
- Uso inadecuado de la máquina
- Uso de la máquina por personas no capacitadas
- Fallos graves en el mantenimiento programado
- Intervenciones o modificaciones no autorizadas
- Uso de repuestos no originales.
2.3.Declaración de conformidad
Por la presente, la empresa:
Elite Machines, SLU
Joan Oró, 27
ES-08635 Sant Esteve Sesrovires
Declara que el producto que se indica a continuación, en base a su concepción y construcción, así como la versión puesta en el mercado por nuestra empresa, cumple con los requisitos básicos de seguridad y salud obligatorios de la directiva CE.
Esta declaración pierde su validez en caso de modificaciones no autorizadas del producto.
Nombre del producto: SOLDAmaq 30/40/60 mini
Tipo de producto: Soldadora de sierras de cinta de acero
Número de serie.: __
Competencias Directivas CE:
- Directiva para maquinaria CE (2006/42/CE)
- Directiva europea sobre compatibilidad electromagnética (2014/30/UE)
- Los fines de protección de la directiva de baja tensión CE (2006/95/CE) se cumplieron de acuerdo con el anexo I, nr. 1.5.1 de la directiva de máquinas 2006/42/CE
La documentación técnica fue compilada por el representante legal de la documentación:
Sergi Valls Gramunt
Joan Oró, 27
ES-08635 Sant Esteve Sesrovires
Fecha / fabricante - Firma: __
Datos del firmante: Sergi Valls Gramunt, gerente
3.DATOS TÉCNICOS
En la siguiente tabla de información, encuentre la lista de especificaciones técnicas de las soldadoras descritas en este manual.
| CARACTERÍSTICAS | |||
|---|---|---|---|
| Para afilar sierras de cinta | SOLDAmaq 30 mini | SOLDAmaq 40 mini | SOLDAmaq 60 mini |
| Ancho de la sierra de cinta | de 5 a 30 mm. (0,2" a 1,18") | de 10 a 40 mm. (0,39" a 1,57") | de 20 a 60 mm. (0,79" a 2,36") |
| Espesor de la sierra de cinta | de 0,5 a 1 mm. (0,02" a 0,039") | de 0,5 a 1,2 mm. (0,02" a 0,047") | de 0,6 a 1,2 mm. (0,023" a 0,047") |
| Potencia máx. necesaria | 4 kW. | 4,5 kW. | 6 kW. |
| Peso | 35 Kg. | 51 Kg. | 56 Kg. |
Todos los modelos presentan exactamente el mismo sistema de funcionamiento.
Recomendamos el usa de la desbarbadora ELITE modelo SOLDAmaq EC para la rápida eliminación del cordón de soldadura.

4.TRANSPORTE
Las ELITE SOLDAmaq 30, 40 y 60 mini se entregan embaladas en una caja de madera.
Durante todo el transporte y traslado, la máquina debe mantenerse en su posición vertical original, cualquier variación en esta posición puede dar lugar a la pérdida de la garantía.

| Modelo de máquina | Dimensiones embalada (mm) | Peso bruto (kg) |
|---|---|---|
| SOLDAmaq 30 mini | 600 x 800 x 500 | 48 |
| SOLDAmaq 40 mini | 600 x 800 x 500 | 60 |
| SOLDAmaq 60 mini | 600 x 800 x 500 | 67 |
4.1.Instrucciones de desembalaje y montaje
El embalaje va fijado a un palet mediante tornillos. Quítelos antes de intentar moverlo.

Para sacar la máquina de su embalaje, sacar primero la cizalla (flecha azul), y después sacar las piezas de bloqueo de madera (flechas rojas).

Una vez ubicada la máquina en su ubicación definitiva, también ya puede retirar la película protectora y demás protecciones de los componentes, que fijan e impiden que la máquina se mueva.
5.INSTALACIÓN
5.1.Colocación de la máquina
Antes de cualquier trabajo asegurarse de que la máquina esté bien alineada y no oscile en ninguno de sus extremos, en cuyo caso deberá calzarse para evitar movimientos. Para su correcto nivelado es necesario utilizar una herramienta niveladora. Este control debe realizarse tanto longitudinal como transversalmente.

Una mala nivelación de la máquina puede provocar vibraciones no deseadas y un desgaste prematuro de las guías lineales.
ATENCIÓN: La máquina no debe ser utilizada bajo ningún concepto por personal no cualificado o no autorizado.
5.2.Conexión eléctrica
Recuerde: antes de conectar la máquina, retire cualquier protección que pueda tener la máquina para proteger los componentes durante el transporte.

¡PELIGRO ALTO VOLTAJE!
Las soldadoras SOLDAmaq mini deben conectarse estrictamente al voltaje indicado en el pedido de la máquina y en la propia máquina. La conexión a un voltaje diferente al indicado puede causar una avería en la máquina y representa un riesgo para las personas que usen la máquina.
Para su conexión a la red eléctrica, la máquina requiere solamente de dos fases y la toma de tierra.
Esta instalación debe efectuarse por personal técnico cualificado y comprobarse con un medidor de tensión antes del encendido de la máquina.
Es absolutamente imprescindible que la sección del cable de conexión sea la requerida, que la máquina disponga de una toma dedicada y protegida contra sobrecargas y que esté lo más próxima posible a la toma de corriente.
En caso de una sección inadecuada del cable, no llegará la suficiente corriente a la máquina en el momento de la soldadura, causando una soldadura defectuosa y extremadamente frágil. Este es uno de los puntos más importantes ya que un nombre muy elevado de posibles problemas de soldadura se debe a este problema.
Rechazamos cualquier responsabilidad por una conexión mal efectuada.
Una vez efectuada y comprobada la conexión, gírese el interruptor general ON/OFF a la posición ON.

Compruébese antes de su puesta en funcionamiento que el indicador del voltímetro del soldador está en el valor de voltaje seleccionado con una diferencia no superior al 5%, y que este valor sea estable.
5.3.Principales componentes de la máquina

1 Botón de intensidad de corriente de soldadura
2 Selector de escala de soldadura
3 Pulsador de soldadura
4 Selector de intensidad de corriente de soldadura o revenido
5 Selector de recorrido de soldadura o revenido
6 Selector de presión de soldadura
7 Indicador de escala seleccionada
8 Interruptor general de ON/OFF (Lateral derecho del soldador)
9 Luz indicadora de máquina encendida
10 Mordaza
11 Palanca de la mordaza
12 Electrodo superior
13 Electrodo inferior
6. PUESTA EN MARCHA
En esta sección le mostramos cómo operar la SOLDAmaq mini para que funcione.

NOTA: Los datos que aparecen en las diferentes imágenes son a modo de ejemplo, cada tipo de herramienta tiene sus datos recomendados y un operario experto debe conocerlos.
PELIGRO: nunca manipule los botones del panel de control mientras realiza el mantenimiento de la máquina: peligro de lesiones muy graves. Se recomienda encarecidamente apagar y desconectar de la red eléctrica la máquina cuando se trabaje en su interior.

6.1. Encendido de la máquina
La soldadora SOLDAmaq mini ha sido concebida para la soldadura de sierras de cinta y fleje con las dimensiones máximas descritas más arriba en las características técnicas.
La máquina está construida a partir de piezas soldadas y mecanizadas.
6.1.1.Encendido
Tras el encendido se enciende un testigo luminoso en el cuadro de mandos. Esta lámpara indica que se puede iniciar el proceso de soldadura.
6.1.2.Conexión eléctrica
Las soldadoras ELITE modelo SOLDAmaq mini deben conectarse estrictamente al voltaje indicado en el pedido de la máquina y en la propia máquina. La conexión a un voltaje diferente al indicado puede causar una avería en la máquina y representa un riesgo para las personas que usen la máquina.
Esta instalación debe efectuarse por personal técnico cualificado y comprobarse con un medidor de tensión antes del encendido de la máquina.
Es absolutamente imprescindible que la sección del cable de conexión sea la requerida, que la máquina disponga de una toma dedicada y protegida contra sobrecargas y derivaciones, y que esté lo más próxima posible a la toma de corriente.
Rechazamos cualquier responsabilidad por una conexión mal efectuada.
Una vez efectuada y comprobada la conexión, gírese el interruptor general ON/OFF a la posición ON.

Elite Sharpening Machines, rechaza toda responsabilidad por una conexión equivocada, que además de causar un mal funcionamiento de la máquina puede perjudicar a las personas, los animales u objetos.
7.FUNCIONAMIENTO DEL TRABAJO
7.1.Corte de la sierra cinta o fleje
Antes de la soldadura es necesario cortar correctamente la cinta: el corte debe ser perfectamente perpendicular a 90º y sin rebaba.
Un corte defectuoso implicará una mala soldadura.
Cizalla:

Corte correcto:


En el proceso de soldadura la máquina consume un trozo del material de la cinta (2 a 3 mm. aprox.) y esto depende del recorrido de la soldadura (seleccionado en el ajuste de la escala de soldadura).
Hay que considerar esto en el momento del corte de la cinta para conservar el paso original de la cinta.
7.2.Preparación a la soldadura
En esta sección le indicamos como funcionan los mandos de la SOLDAmaq mini.
Tablas orientativas de soldadura
Escala
Este selector sirve para ajustar el recorrido de la soldadura en función del tamaño de la cinta.
Es ajustable en la posición 1 o 2. Al cambiar el valor a 1 o 2, la luz correspondiente del recorrido de soldadura también cambiará.
Consejo:
Escala 1: En caso de cintas pequeñas o finas (por espesor y anchura)
Escala 2: En caso de cintas más grandes
Potencia de soldadura
El selector de potencia de soldadura transmite mayor o menor potencia para el fundido de la cinta en función de su tamaño. Es ajustable del valor 1 al 4.
Cuando más fina sea la sierra menor debe ser este valor.
Presión de soldadura
Regula la fuerza de "pegado" de la cinta en función de su tamaño. Ajustable de la posición 1 a la 5.
El valor será más pequeño cuando menor sea la cinta.
Recorrido de soldadura
Permite seleccionar, según la escala, la cantidad de material que será fundida, y por tanto presente en el cordón de soldadura.
MUY IMPORTANTE: El recorrido seleccionado debe ser el apropiado para la escala en la que estemos trabajando.
MUY IMPORTANTE: Al terminar el ajuste del recorrido y apretar las mordazas de la cinta, se debe colocar en la posición de "SOLDADURA"
| ELITE SOLDAmaq 30 mini | ||||
|---|---|---|---|---|
| Anchura de hoja | Escala | Potencia de soldadura | Presión de soldadura | Recorrido de soldadura |
| 5 mm. - 0,2 " | 1 | 1 | 1 | 2 |
| 10 mm. - 0,4" | 1 | 2 | 1 | 2 |
| 20 mm. - 0,8" | 2 | 3 | 2 | 3 |
| 30 mm. - 1-1/6" | 2 | 4 | 3 | 4 |
| ELITE SOLDAmaq 40 mini | ||||
|---|---|---|---|---|
| Anchura de hoja | Escala | Potencia de soldadura | Presión de soldadura | Recorrido de soldadura |
| 10 mm. - 0,4" | 1 | 1 | 1 | 2 |
| 20 mm. - 0,8" | 1 | 1-2 | 1-2 | 2-3 |
| 30 mm. - 1-1/6" | 1-2 | 2-3 | 2-3 | 3-4 |
| 40 mm. -1-1/2" | 2 | 3-4 | 3-4 | 4 |
| ELITE SOLDAmaq 60 mini | ||||
|---|---|---|---|---|
| Anchura de hoja | Escala | Potencia de soldadura | Presión de soldadura | Recorrido de soldadura |
| 20 mm. - 0,8" | 1 | 1 | 1 | 3 |
| 35 mm. - 1-1/3" | 2 | 3 | 2 | 3 |
| 45 mm. -1,77" | 2 | 4 | 3 | 4 |
| 60 mm. - 2-1/3" | 2 | 4 | 4 | 4 |
NOTA: Estas tablas de soldadura son orientativas, el operario deberá ajustarlas según crea necesario para adaptarlas a las diferentes aleaciones de las cintas.
Recomendamos seguir la tabla en un primer momento, y ajustar los valores a partir de estos valores de referencia, realizando solamente un cambio por prueba cada vez para obtener los mejores resultados posible.
Aparte de estos valores de soldadura, el proceso de revenido es crítico para la duración y resistencia de la sierra.
7.3.Soldadura
En función de la anchura y espesor de la cinta deben llevarse a cabo los apropiados ajustes de la máquina siguiendo las indicaciones de este manual.
1. Ajustar la escala utilizando el selector de escala en el valor 1 o 2.
Al cambiar el valor a 1 o 2, la luz correspondiente también cambiará.
Consejo:
Escala 1: En caso de cintas pequeñas o finas (por espesor y anchura)
Escala 2: En caso de cintas más grandes
Ajustar los valores según la tabla adjunta.
2. Regular la potencia de soldadura del 1 al 4.
Cuando más fina sea la sierra menor debe ser este valor.
3. Regular la presión de soldadura del 1 al 5
4. Regular el recorrido de soldadura
MUY IMPORTANTE: El recorrido seleccionado debe ser el apropiado para la escala en la que estemos trabajando.
5. Colocar la cinta entre los electrodos de modo que los dientes de la sierra miren hacia el soldador y ambos extremos estén en contacto y centrados
Bloquear firmemente las dos mordazas.

6. Colocar el seleccionador recorrido de soldadura a la posición SOLDADURA
NOTA: Comprobar que la sierra no toque en ninguna parte metálica para que no haga arco y perder fuerza en la soldadura.
7. Pulsar el botón de soldadura SIN DEJAR DE APRETAR HASTA QUE LA MÁQUINA SE PARE
8. Aflojar las mordazas y colocar el selector recorrido de soldadura a la posición REVENIDO
7.4.Revenido
El revenido es el proceso de templado de la cinta. Como hemos efectuado un calentamiento muy rápido de la sierra, esta pierde sus propiedades iniciales. Por lo tanto debemos restaurarlas nuevamente calentado la cinta progresivamente y dejándola enfriar lentamente.
Después de cada soldadura siguiendo los pasos anteriormente descritos en el apartado SOLDADURA debemos realizar este proceso.

Centrar el cordón de soldadura y apretar las mordazas para iniciar el proceso de revenido.
Accionar el selector revenido dando sucesivos toques hasta que la cinta adquiera un color azul o rojo oscuro.
Para cintas pequeñas accionaremos el selector en su posición 1, para cintas grandes en la posición 2.
El proceso de coloración de la cinta debe empezar de forma homogénea desde el cordón de soldadura hasta los electrodos. En caso que se inicie primero desde uno de los extremos se deben ajustar la presión de las mordazas como indicamos en la sección de mantenimiento.
NUNCA ENFRIAR LA SIERRA CON AIRE COMPRIMIDO O SOPLANDO, ni colocar la máquina en lugares donde exista corriente de aire, esta se debe enfriar por si misma.
Para eliminar el cordón de soldadura, se puede hacer con una esmeriladora o bien con nuestra máquina especializada para ello ELITE modelo SOLDAmaq EC.
En todo caso nunca debe cambiar de color la cinta, pues esto indicará un exceso de temperatura al eliminar el cordón y por lo tanto modificaremos el revenido de la cinta.
Para confirmar que el revenido es correcto, cogeremos la cinta con ambas manos desde unos 20-30 cm. por cada lado desde su centro, al doblar la sierra esta debe presentar un doblado uniforme, si se dobla por el punto de revenido es que hemos alcanzado demasiada temperatura al realizar el revenido, y por lo tanto hemos endurecido demasiado la parte de la soldadura.
7.5. Consejos y resolución de problemas
Antes de comunicar un mal funcionamiento de la máquina, es aconsejable seguir la siguiente guía para tratar de resolver el problema de la forma más rápida posible.
1. Controlar la conexión eléctrica: el voltaje de suministro debe ser el necesario para la máquina y la tensión estable.
2. Realizar una operación de revenido sobre una sierra cinta para comprobar la alineación de los electrodos.
Revenido correcto:

Revenido incorrecto:

Solución: Ajustar la alineación de los electrodos superiores mediante los tornillos de ajuste. Si es necesario rectificar los electrodos o pedir unos nuevos.
NOTA: Los tornillos de ajuste traseros son ajustados en fábrica, es aconsejable no tocarlos y realizar todo el proceso de ajuste de los electrodos con los tornillos delanteros.

- Tornillo de ajuste trasero
- Tornillo de ajuste delantero
3. Problemas con roturas de la sierra debidos al revenido.
La operación de revenido es muy delicada, y su resultado dependerá del perfecto estado de los electrodos, mordazas y la presión sobre la cinta. Así como las diferentes aleaciones del metal de la cinta.
Solución: Probar con diferentes temperaturas y tiempos de revenido alcanzando diferentes coloraciones en la cinta.
4. Si durante la soldadura los dos extremos quedan soldados pero montados uno encima de otro, eso significa que:
- La potencia de soldadura es demasiado baja
- La presión de soldadura es demasiado alta
Soldadura incorrecta (los extremos se sobreponen):

Solución: Aumente la potencia de soldadura o disminuya la presión de soldadura (Le recomendamos que realice un cambio solamente por cada prueba, para poder identificar la causa exacta del problema).
5. Soldadura defectuosa o débil
El voltaje y la corriente que le llega al soldador del suministro eléctrico es insuficiente.
- Solución: El consumo eléctrico de nuestros soldadores es muy bajo, no obstante en el momento preciso de la soldadura se requiere de mucha potencia en un intervalo de tiempo muy corto. Si al soldador no le llega la potencia necesaria para la soldadura, se producirán soldaduras defectuosas.
Casos típicos de estos problemas son:
- La soldadura siempre es defectuosa: La sección del cable es insuficiente o la distancia a la conexión a red es demasiado larga.
- La soldadura es defectuosa sólo algunas veces: El soldador está conectado a una línea de tensión que es compartida con otras máquinas de alta potencia, en el momento que estas máquinas tienen picos de consumo (centros de mecanizado, grúas, etc.), no hay suficiente corriente disponible para realizar la soldadura.
6. El cordón de soldadura es muy pequeño o hay poros en la soldadura:
Si durante la soldadura ocurre esto, significa que la potencia de soldadura es demasiado alta o que la presión de soldadura es demasiado baja.
También puede ser producido porque no ponemos el selector de recorrido de soldadura a la posición SOLDADURA
Solución: Aumentar la potencia de soldadura o disminuir la presión de soldadura.
Comprobar que el selector del recorrido de soldadura esté en la posición SOLDADURA
Soldadura incorrecta (hay agujeros):

Para cualquier otro tipo de problemas, rogamos pónganse en contacto con nosotros o nuestros distribuidores autorizados.
Por favor: Tenga preparada la información detallada del problema, modelo de la máquina y número de serie.
7.6. Servicio de asistencia técnica
En ELITE tratamos de satisfacer a nuestros clientes mediante productos fiables y sencillos de usar. No obstante si experimenta cualquier incidencia durante el uso de la máquina no dude en contactarnos a la mayor brevedad directamente o a través de nuestros distribuidores autorizados, que le atenderán, en caso de estar disponibles en su país, con mejor proximidad y profesionalidad.
Deseamos que disfrute de este producto durante muchos años, por favor: cuando termine con la vida útil del soldador, dispóngalo correctamente a los organismos que haga falta para su correcta eliminación y reciclaje.
8.MANTENIMIENTO
8.1.Mantenimiento preventivo
El mantenimiento de las soldadoras SOLDAmaq mini es muy simple. Consta de lo siguiente:
Utilice el equipo solo en ambientes secos. La temperatura debe estar entre 5 y 40ºC. Una humedad relativa mayor al 90%, así como un ambiente salino, provocaría la corrosión prematura de la máquina.
Limpie los electrodos cada vez después de la soldadura, bien con aire comprimido o con un trapo. Solamente debe pasarlo ligeramente, sin ningún aditivo de limpieza.
Esto alargará enormemente la vida de los electrodos por desgaste por fricción con los restos de la soldadura.
Verifique que el voltaje de entrada de la soldadura sea el correcto y no presente oscilaciones.
En cada revenido verifique que la temperatura de revenido se presenta de forma progresiva y constante en los dos extremos de la sierra, empezando por el centro de la cinta.
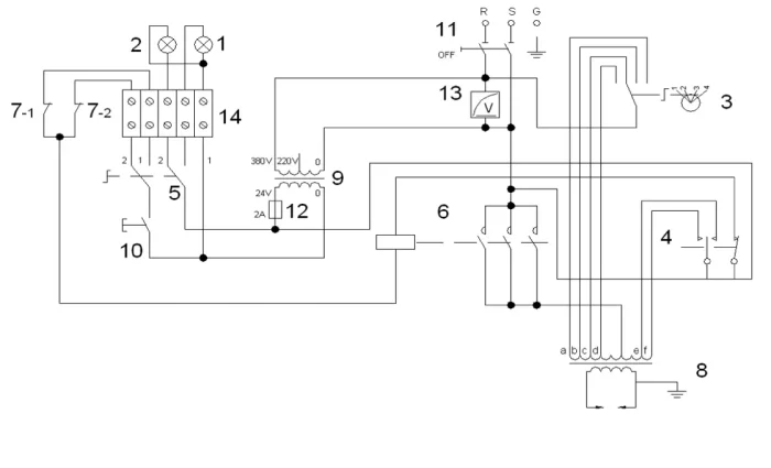
8.2. Esquema eléctrico

- Bombilla escala 1
- Bombilla escala 2
- Selector potencia soldadura
- Reostato revenido
- Selector escala
- Contactor de soldadura
- Rele fin soldadura
- Rele fin soldadura
- Transformador de potencia
- Transformador auxiliar 24v
- Botón de soldadura
- Seccionador de linea
- Fusible
- Voltímero
- Tablero de bornes
8.3. Despiece

101 Botón
103 Reostato
104 Voltímetro
105 Pulsador
106 Selector de escala
107 Selector revenido
108 Panel superior
109 Panel izquierdo
110 Bastidor
111 Transformador
112 Trenzado de cobre
113 Eje de transmisión
114 Placa
115 Apoyo
116 Excéntricas de recorrido
117 Placa
118 Eje de excéntricas
119 Excéntricas
120 Eje
121 Brazo de la mordaza
122 Electrodos superiores
123 Electrodos inferiores
124 Mordazas
125 Bombillas (2 piezas)
126 Eje palancas de recorrido
127 Botón
128 Botón
129 Panel frontal
130 Guía superior
131 Carro móvil
132 Protección
133 Guía inferior
134 Carro fijo
135 Protección
136 Apoyo
137 Tensor de muelle
138 Excéntricas
139 Muelle
140 Relé automático
141 Láminas elásticas de tensión
142 Placa de apoyo interruptor
143 Interruptor
144 Tablero de bornes
145 Pie
146 Lado derecho
147 Base cizalla
148 Base de la cizalla
149 Cuerpo de la cizalla
150 Cuchillas
151 Cuchillas
152 Palanca de la cizalla
153 Cuchillas
154 Eje excéntrico de la cizalla
155 Transformador
156 Bolas para deslizamiento del carro
157 Fusible
9. ACCESORIOS Y CONSUMIBLES
9.1.SOLDAmaq 30 mini Placas o mordazas inferiores
9.2.SOLDAmaq 30 mini Placas o mordazas superiores
10. GARANTÍA
Todas nuestras máquinas se prueban antes de ser enviadas. Sin embargo, siempre puede haber defectos que no son observables a primera vista.
Nuestras máquinas están garantizadas contra defectos de fabricación o materiales en condiciones normales de uso y mantenimiento.
El periodo de esta garantía es de 12 meses desde la fecha de compra y consiste en la reposición del material defectuoso.
La garantía quedará automáticamente anulada en caso de modificación ajena a nuestra empresa. O en casos manifiestos de mal uso de la máquina.
La garantía no incluye piezas sujetas a desgaste normal por el uso como patines, cartucho de lubricación, abrasivos, etc.
11. DESCARGAR MANUAL
ES - User Manual SOLDAmaq30 40 60 mini.pdf